懸臂稱重傳感器
BCBL-Z型 懸臂式測力傳感器
特點及用途:
該傳感器采用剪切梁結構,具有高精度、高穩定性。
適用于電子配料系統、電子地中衡、配料倉、料倉秤等各種測力、稱重的工業控制系統。
技術參數:
|
量程 |
50、100、200、500、1000 kg |
輸入阻抗 |
385 ± 35 Ω |
|
靈敏度 |
2.0 ± 0.1 mv/V |
輸出阻抗 |
350 ± 3 Ω |
|
綜合精度 |
0.05 %F·S |
絕緣阻抗 |
≥ 2000 MΩ |
|
蠕變 |
±0.03F·S/30min |
激勵電壓 |
5 ~ 12 VDC |
|
非線性 |
±0.03%F·S |
工作溫度范圍 |
-30 ~ ﹢70℃ |
|
滯后誤差 |
±0.03%F·S |
允許過負荷 |
120 %F·S |
|
重復性誤差 |
±0.03%F·S |
密封等級 |
IP65 |
|
零點溫度系數 |
±0.03%F·S/10℃ |
材質 |
合金鋼 |
|
輸出溫度系數 |
±0.03 %F·S/10℃ |
線纜 |
φ5 x 2000 mm |
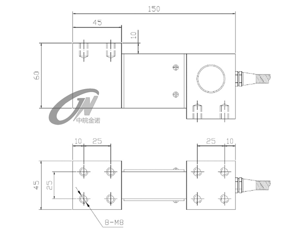
產品尺寸:
- 上一個:BCBL-X





