股市财经推荐-今日热点股票名单-【东方资本】,各信用卡的免息期最短为,炒股套住了是什么意思,中航资本 股吧

今天是2025年9月3日 星期三,歡迎光臨本站 

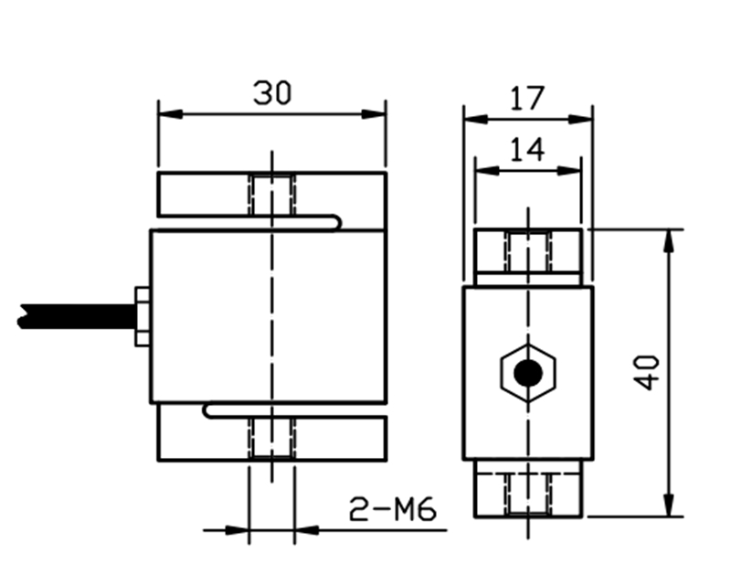
S型拉力傳感器

BCS-M1

文字:[大][中][小] 手機頁面二維碼 2021-12-3     瀏覽次數:    

BCS-M1型 微型拉力傳感器

特點及用途:

高精度、高穩定性、輸出對稱性好、拉壓兩用。

適用于電子皮帶秤、料倉秤、配料秤、機電結合稱、吊鉤秤及其它力值的測量

與控制及計算機控制配料系統等。 


技術參數:

量程

1、2、5、10、2050100 kg

輸入阻抗

385 ± 35 Ω

靈敏度

20 ± 01 mv/V

輸出阻抗

350 ± 3 Ω

綜合精度

±005 %F·S

絕緣阻抗

≥ 2000 MΩ

蠕變

±0.03 %F·S/30min

激勵電壓

12 VDC

非線性

±003 %F·S

工作溫度范圍

-20 ~ ﹢70

滯后誤差

±003 %F·S

允許過負荷

120 %F·S

重復性誤差

±003 %F·S

密封等級

IP65

零點溫度系數

±003 %F·S/10

材質

合金鋼

輸出溫度系數

±003 %F·S/10

線纜

φ3 × 2000 mm


產品尺寸:


返回上一步
打印此頁
173-5529-0970
瀏覽手機站